RM Partes
SKU:PU00561
BK15 Soporte de extremo para tornillo de bolas
BK15 Soporte de extremo para tornillo de bolas
No se pudo cargar la disponibilidad de retiro
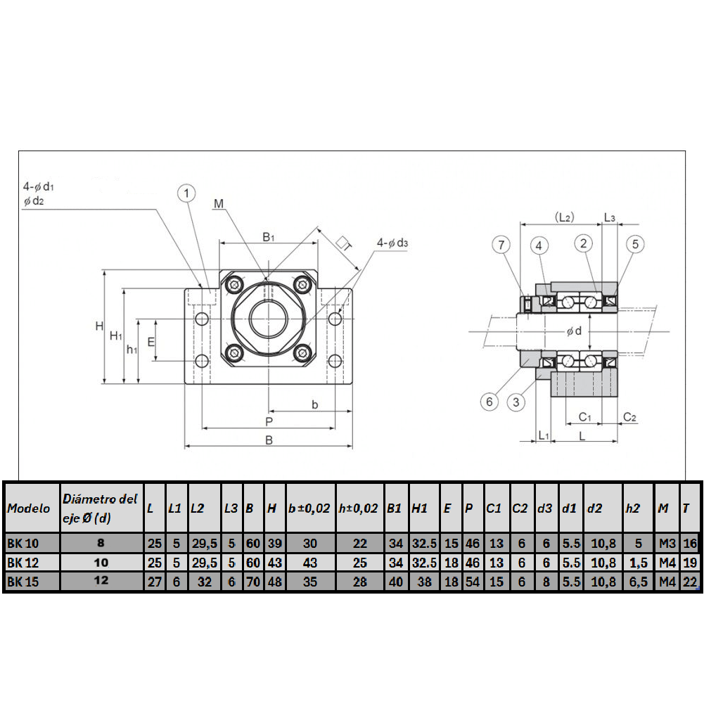
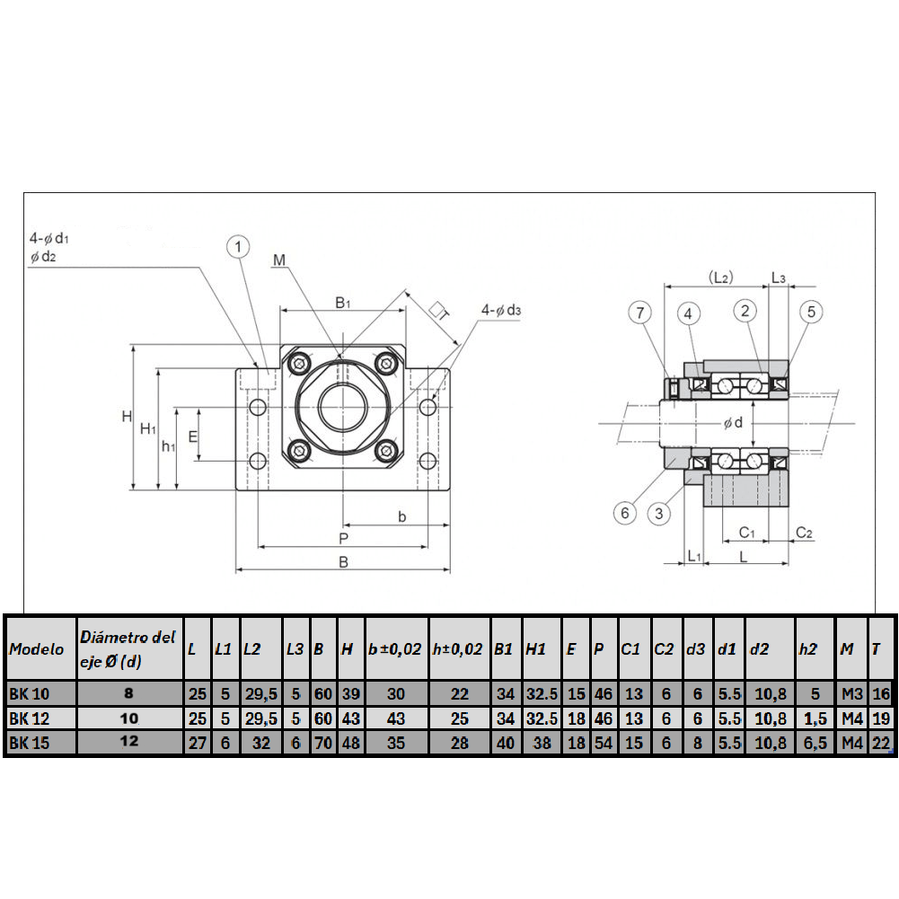
El soporte BK es un elemento clave en sistemas de tornillo de bolas, diseñado para actuar como soporte fijo y proporcionar una sujeción estable y segura. Gracias a sus rodamientos de contacto angular, este soporte es capaz de resistir cargas axiales y radiales, asegurando un movimiento preciso y sin holguras en aplicaciones de alta exigencia.
Características y Función:
* Soporte fijo, encargado de mantener el tornillo de bolas en una posición estable.
* Rodamientos de contacto angular, que soportan cargas en múltiples direcciones y mejoran la precisión del sistema.
* Fabricado en materiales de alta resistencia, garantizando durabilidad y un rendimiento óptimo.
* Diseño compacto y eficiente, ideal para aplicaciones que requieren precisión y estabilidad.
Consulta las medias en la segunda imagen.
\*Cada pack incluye 1 unidad
Perfecto para máquinas CNC, fresadoras, impresoras 3D industriales, sistemas de automatización, equipos de corte y grabado, y cualquier mecanismo que requiera un sistema de movimiento lineal estable y de alta precisión.
Share
