RM Partes
SKU:PC00715
BKBF 17 Soportes de extremo para tornillo de bolas
BKBF 17 Soportes de extremo para tornillo de bolas
No se pudo cargar la disponibilidad de retiro
Los soportes BK y BF son esenciales en sistemas de tornillo de bolas, proporcionando una fijación estable y garantizando un movimiento suave, preciso y sin vibraciones. Diseñados para resistir cargas axiales y radiales, estos soportes aseguran el máximo rendimiento en aplicaciones de máquinas CNC, automatización industrial y equipos de precisión.
Características y Función:
* Soporte BK (lado fijo): Equipado con rodamientos de contacto angular, fija el tornillo de bolas, asegurando estabilidad y reduciendo la desviación.
* Soporte BF (lado libre): Con un rodamiento simple, permite la expansión natural del tornillo, evitando tensiones y garantizando un giro óptimo.
* Material de alta resistencia, ideal para aplicaciones de alto rendimiento.
* Compatible con diversos tornillos de bolas, asegurando versatilidad en distintos sistemas mecánicos.
* Compatible con husillos de diámetro 25mm
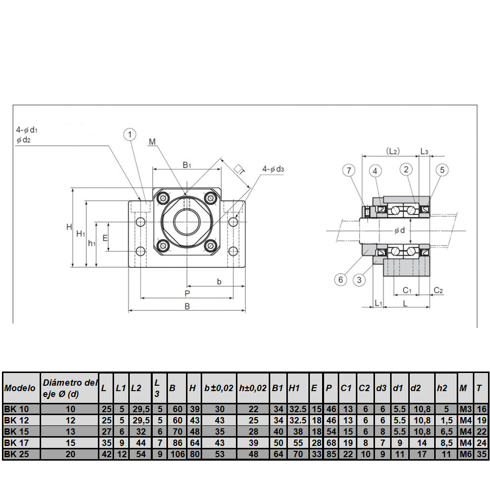
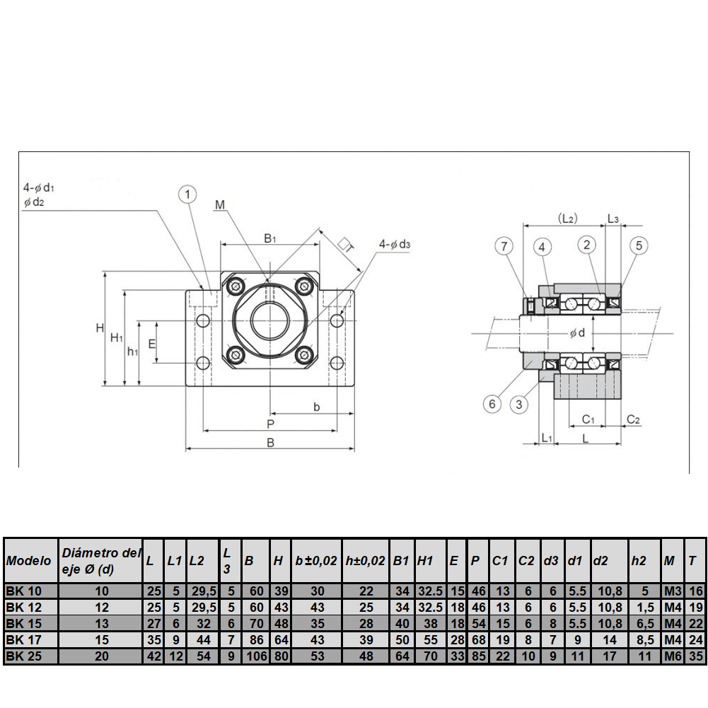
Puede consultar las medidas en las imágenes 2 y 3
\*Cada pack incluye 1 rodamiento **BK17** \+ 1 rodamiento **BF17** Ideales para máquinas CNC, fresadoras de precisión, sistemas de automatización y robótica, equipos de impresión y corte industrial, así como cualquier sistema que requiera movimiento lineal de alta eficiencia.
Share
