RM Partes
SKU:PC00076
Correa Dentada GT2-10 mm (5Metros)
Correa Dentada GT2-10 mm (5Metros)
No se pudo cargar la disponibilidad de retiro
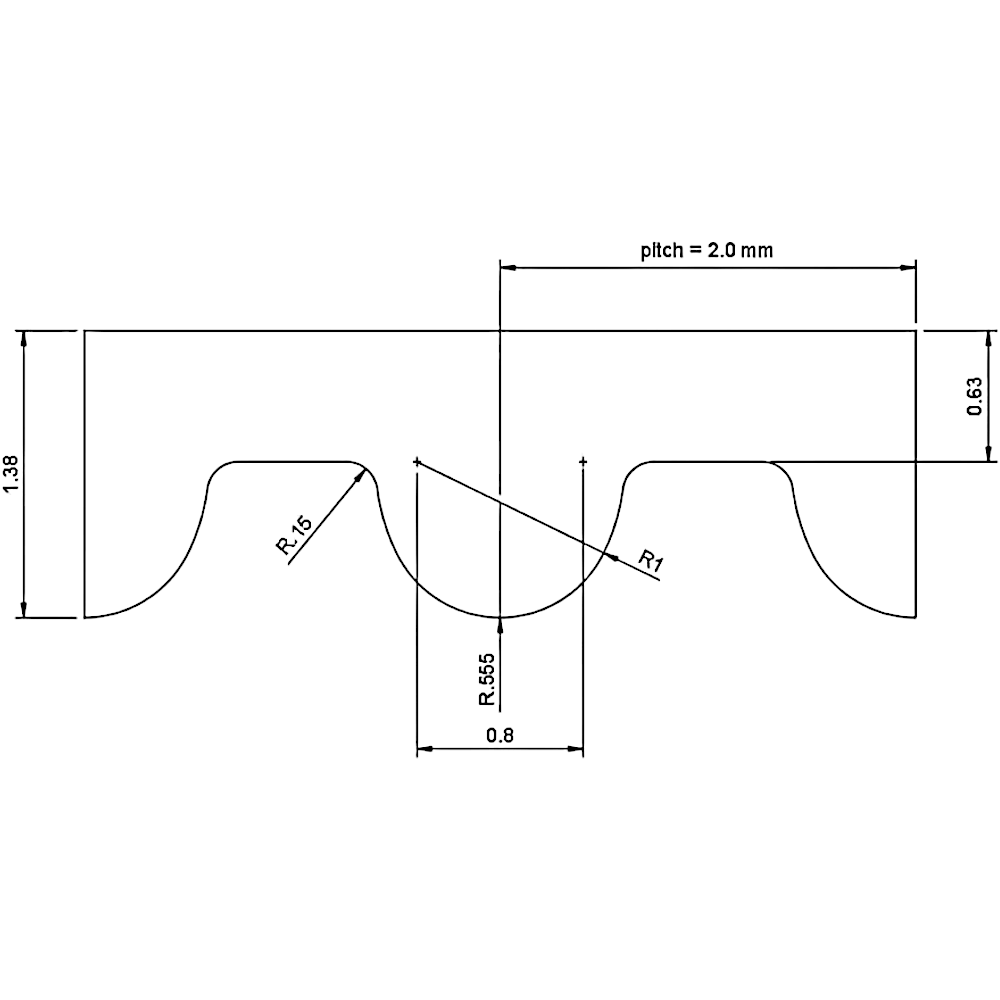
La correa dentada GT2 de 10 mm está diseñada para garantizar un movimiento preciso y eficiente en aplicaciones de transmisión, ofreciendo alta resistencia al desgaste, bajo alargamiento y un funcionamiento silencioso. Su construcción en neopreno con núcleo de fibra de vidrio proporciona durabilidad y estabilidad, asegurando un desempeño óptimo en sistemas de automatización.
Tiene las siguientes características:
* Material de la correa: Neopreno
* Material de alambre de núcleo: Fibra de vidrio
* Tipo: GT2 / P2M
* Paso: 2mm
* Largo: 5 metros.
* Ancho: 10mm
* Tipo de forma de cinturón: extremo abierto
* Superficie de diente de cinturón: Estándar (de un solo lado)
* Tipo de forma de cinturón: Diente redondo
Puede verificar las medidas en la segunda imagen
\*Cada pack incluye 1 correa de 5 metros
Compatible con poleas GT2 y tensores de correa, esta correa de extremo abierto es ideal para su uso en impresoras 3D, máquinas CNC y una variedad de proyectos de robótica y electrónica, proporcionando una transmisión de movimiento confiable y sin deslizamientos.
Share

producto de calidad y envío rápido
Muy buen producto facil de ensamblar