RM Partes
SKU:PC00517
Kit Husillo SFU1605 1500 mm con Soportes Laterales FK/FF12
Kit Husillo SFU1605 1500 mm con Soportes Laterales FK/FF12
No se pudo cargar la disponibilidad de retiro
El kit de husillo hilo roscado SFU1605 de 1500 mm es una solución eficiente para aplicaciones que requieren alta precisión, velocidad y suavidad en el movimiento lineal. En comparación con otros mecanismos de transmisión, los husillos de bolas destacan por su capacidad de operar a mayor velocidad con menor desgaste, reduciendo los costos de mantenimiento y mejorando la eficiencia del sistema.
Tienen las siguientes características:
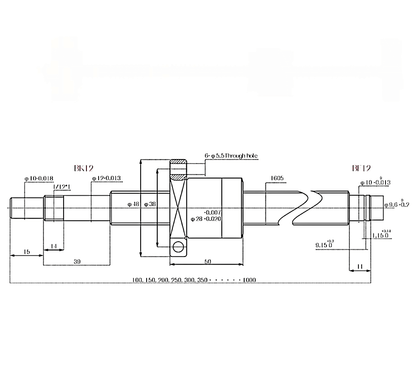
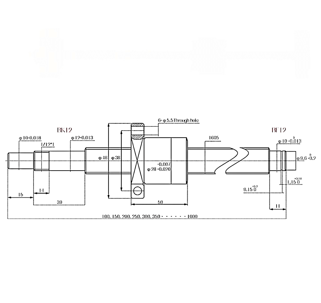
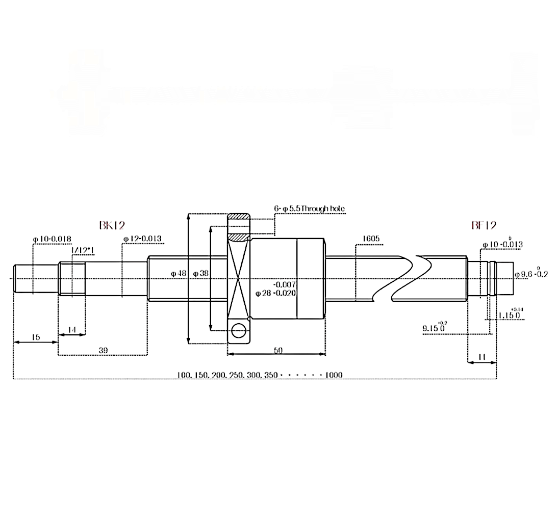
* Diámetro del hilo: 16 mm
* Largo: 1500mm
* Paso del hilo: 5 mm
* Material: Acero al carbono
* Color: Plata
Puede consultar las medidas en las imágenes 2,3,4 y 5
\*El pack incluye:
* 1 SFU1605- 1500mm
* 1 FK12
* 1 FF12
* 1 DSG16
Este kit es ideal para máquinas CNC, equipos electrónicos, sistemas de automatización industrial y cualquier aplicación donde se requiera un posicionamiento lineal preciso y repetitivo. Su diseño de baja fricción permite una operación silenciosa y un tiempo de vida útil prolongado, lo que lo hace ideal para sistemas de automatización y maquinaria de control numérico.
Share

Todo perfecto