RM Partes
SKU:PC00221
LMK25UU Rodamiento cilíndrico ejes lineales 25 mm (Pack 2 unds)
LMK25UU Rodamiento cilíndrico ejes lineales 25 mm (Pack 2 unds)
No se pudo cargar la disponibilidad de retiro
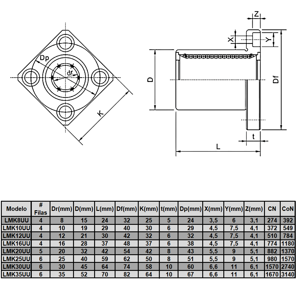
El rodamiento lineal cerrado LMK con brida cuadrada es un componente de precisión diseñado para aplicaciones de movimiento lineal. Su diseño con flange de cuatro orificios permite una fijación segura a estructuras o marcos, facilitando la instalación vertical del eje y asegurando una guía estable y de bajo desgaste. Su diseño permite montar el eje de forma vertical y fija, lo que lo hace útil en estructuras que requieren que el eje salga perpendicular a una base o soporte. Esto no es posible con el LM (cilíndrico), y el LMF (con brida redonda) puede ser menos conveniente si se busca una alineación más sencilla con geometrías rectangulares.
Tiene las siguientes características:
* Largo: 59 mm
* Flange: 50X50 mm
* Ancho de flange: 8 mm
* Diámetro exterior: 40 mm
* Diámetro interno: 25 mm
* Peso: 300 gr
* Cargas dinámicas: 980 N
* Cargas estáticas: 1570 N
\*Cada pack incluye 2 unidades.
Puede consultar las medidas en la segunda imagen
El rodamiento lineal LMK es un componente de alta precisión diseñado para aplicaciones de movimiento lineal, como impresoras 3D, máquinas CNC y equipos automatizados.
Share

Buena relación calidad y precio. Producto resistente y cumple con lo cual fue desarrollado. La atención fue expedita y muy amable por el personal de despacho y ventas